液壓過濾器的流通形式
液壓過濾器液一般是從濾芯外部穿透濾層自濾芯內部流出,從里向外流通者較少。流通線路有直通流通式過濾器、T形流通式過濾器和Y形流通式過濾器。
直通式過濾器中,進口和出口呈一條直線。它缺點是更換濾芯要拆卸管路,先將整套過濾器卸掉再去更換,優點是節省安裝空間。
T形流通式過濾器的進出口兩端(濾頭)是連接在系統管路上的,也就是說,只將下殼體擰下來就可以更換濾芯,不必拆管路。
這種過濾器可以在濾頭和下殼體之間安裝自動切斷閥門,以限制外界污物進入。當新濾芯放入裝滿液體的下殼體時,垂直擰入濾頭時,下殼體已沒有空氣進入的空間,這就可以防止空氣大量進入系統。
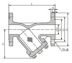
Y形過濾器

想咨詢過濾器,油過濾器、空氣過濾器,濾芯、濾材請致電咨詢我公司。
聯系人:王經理
手 機:1567056000113183108783
郵 箱:sales@cl-filter.com
公 司:新鄉市創藍過濾技術有限公司
地 址:河南省新鄉市創業路1號高新技術產業園